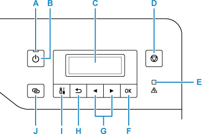
Pannello dei comandi

- A: Spia ON
- Lampeggia e si accende quando l'alimentazione è collegata.
- B: Pulsante ON
-
Consente di accendere e spegnere la stampante.
- C: LCD (Schermo a cristalli liquidi)
- Visualizza i messaggi, le voci di menu e lo stato di funzionamento.
- D: Pulsante Stop
- Consente di annullare l'operazione quando è in corso la stampa o si seleziona un elemento di menu.
- E: Indicatore di Allarme (Alarm)
- Si accende o lampeggia quando si verifica un errore.
- F: Pulsante OK
- Consente di finalizzare la selezione degli elementi. Viene utilizzato anche per risolvere errore.
- G: Pulsanti
e 
- Utilizzato per selezionare un elemento di impostazione. Questi pulsanti vengono utilizzati anche per immettere caratteri.
- H: Pulsante Indietro (Back)
- Il display LCD ritorna alla schermata precedente.
- I: Pulsante Impostazione (Setup)
- Consente di visualizzare la schermata Menu Impostazione (Setup menu). Con questo menu è possibile eseguire la manutenzione della stampante e modificare le impostazioni della stampante. Utilizzato anche per selezionare la modalità di input.
- J: Pulsante Connessione wireless (Wireless connect)
- Per impostare le informazioni del router wireless nella stampante direttamente da uno smartphone o un altro dispositivo (senza dover eseguire alcuna procedura sul router), tenere premuto questo pulsante.

